- Artikel-Nr.: E224I
- Ausgangsleistung : 2 W
- Eingangssspannung : 24 V DC
- Ausgangsspannung : 12 V DC
- Ausgangsstrom : 167 mA
- Ausgänge : 1
- IsolationEin-/Aus : 3000 V DC
| Serie | E200I |
| Ausgangsleistung | 2 W |
| Eingangsspannung | 24 V DC |
| Ausgangsspannung | 12 V DC |
| Ausgangsstrom | 167 mA |
| Ausgänge | 1 |
| Ein-/Ausgangsisolation | 3000 V DC |
| Typ | Quelle |
| Bauform | SIP |
| Eingang | DC |
| Kategorie | DC/DC |
| Beschreibung | • Eingangsspannung 5 V (4,5-5,5 V), 12 V (10,8 -13,2 V), 24 V (21,6 -26,4 V) oder 48 V (43,2 – 52,8 V) • Eingangsspannung 5 V (4,5-5,5 V), 12 V (10,8 -13,2 V), 24 V (21,6 -26,4 V) oder 48 V (43,2 52,8 V) • Wirkungsgrad bis 84% • Eingangsspannung 5 V (4,5-5,5 V), 12 V (10,8 -13,2 V), 24 V (21,6 -26,4 V) oder 48 V (43,2 - 52,8 V) • Eingangsspannung 5 V (4,5-5,5 V), 12 V (10,8 -13,2 V), 24 V (21,6 -26,4 V) oder 48 V (43,2 ? 52,8 V) • Typ. Anwendungen: Isolation von digitalen Schnittstellen |
| Eingangsbereich | 1:1 |
| Arbeitstemperatur | 40 °C bis +85 °C ohne derating|-40 °C bis +85 °C, ohne Derating |
| Bauform Detail | SIP-4 |
| Regelung | Geregelt |
| SubKategorie | DC-DC Wandler|OEM Stromversorgung|DC/DC-Wandler|DC/DC-Konverter |
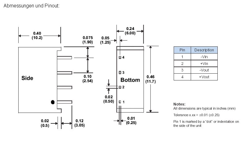
| Abmessungen Länge | 11,7 mm |
| Abmessungen Breite | 6 mm|6,0 mm |
| Abmessungen Höhe | 10,2 mm |
| Schaltfrequenz typ. | 125 kHz|12 kHz |
| Wirkungsgrad max. | 0,84 |
Produktinformationen "E224I | DC/DC | Ein: 24 V DC | Aus: 12 V DC | MicroPower Direct"
| Serie | Eingangsspannung | Ausgangsspannung | Ausgangsstrom | Ausgangsleistung | Ausgänge |
|---|---|---|---|---|---|
| E200I | 5-48 V DC | 3,3-15 V DC | 133-400 mA | 2 W | 1 |
| 5; 12; 24; 48 | 3.3; 5; 9; 12; 15 | 133; 167; 222; 400 | 2 | 1 |
| Modell | Eingangsspannung | Ausgangsspannung | Ausgangsstrom | Ausgangsleistung | Ausgänge |
|---|---|---|---|---|---|
| E201I | 5 V DC | 3,3 V DC | 400 mA | 2 W | 1 |
| E202I | 5 V DC | 5 V DC | 400 mA | 2 W | 1 |
| E203I | 5 V DC | 9 V DC | 222 mA | 2 W | 1 |
| E204I | 5 V DC | 12 V DC | 167 mA | 2 W | 1 |
| E205I | 5 V DC | 15 V DC | 133 mA | 2 W | 1 |
| E211I | 12 V DC | 3,3 V DC | 400 mA | 2 W | 1 |
| E212I | 12 V DC | 5 V DC | 400 mA | 2 W | 1 |
| E213I | 12 V DC | 9 V DC | 222 mA | 2 W | 1 |
| E214I | 12 V DC | 12 V DC | 167 mA | 2 W | 1 |
| E215I | 12 V DC | 15 V DC | 133 mA | 2 W | 1 |
| E222I | 24 V DC | 5 V DC | 400 mA | 2 W | 1 |
| E223I | 24 V DC | 9 V DC | 222 mA | 2 W | 1 |
| E224I | 24 V DC | 12 V DC | 167 mA | 2 W | 1 |
| E225I | 24 V DC | 15 V DC | 133 mA | 2 W | 1 |
| E232I | 48 V DC | 5 V DC | 400 mA | 2 W | 1 |
| E233I | 48 V DC | 9 V DC | 222 mA | 2 W | 1 |
| E234I | 48 V DC | 12 V DC | 167 mA | 2 W | 1 |
| E235I | 48 V DC | 15 V DC | 133 mA | 2 W | 1 |
Weiterführende Links zu "E224I | DC/DC | Ein: 24 V DC | Aus: 12 V DC | MicroPower Direct"

